前沿应用|当低场核磁技术结合拉伸装置,原位追踪材料在应变下的动态信息

发布时间:2024-09-24 17:54

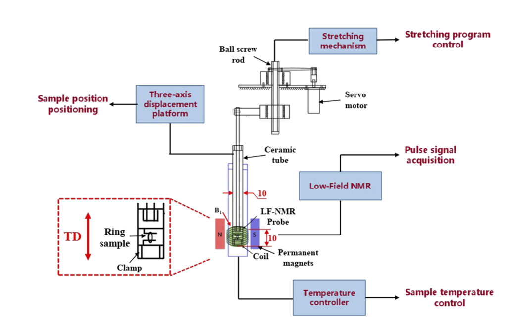
了解天然橡胶聚合物在拉伸变形下的微观结构变化对了解橡胶材料性能至关重要,但是目前还没有一项技术能够用来原位检测聚合物材料在拉伸状态下的性能。该应用创新性的使用了一款增加了拉伸装置的低场核磁共振(LF-NMR)设备(如图1所示),可以提供材料在拉伸形变过程中直接的、原位的分子动力学信息,以了解聚合物产品在实际使用条件下的结构和动力学演变过程。

图1:原位拉伸—低场核磁共振设备结构

使用该设备对天然橡胶薄膜进行测试,此次测试使用了MSE序列(图2a),MSE序列与FID序列的主要区别在前者能将仪器死时间内的信号损失重新聚焦,以确保核磁弛豫信号的完整性。图2(b)-2(d)分别展示了含有0 phr(NRCB0)、10 phr(NRCB10)和30 phr(NRCB30)填料的天然橡胶在不同应力下原位拉伸实验的实时核磁弛豫信号。拉伸实验的实验温度约为35℃,这是LF-NMR样品腔的环境温度。红色箭头代表应变增加。与含有填料的橡胶实验结果相比,不含填料的天然橡胶的核磁信号基本没有变化,这表明形变对NRCB0的动力学影响很小。NRCB30的核磁信号变化最大,拉伸后信号的斜率显著增大,表明其动力学显著减慢。实验的结果表明,橡胶基底对应变的响应随着填料含量的增加而增加。炭黑填料的含量会影响分子链的运动,导致分子链运动受到更严格的限制。这种现象的成因可以归结为填料的“Mullins”效应,即填料的应变放大效应。为了进一步量化和表征分子链运动的变化,对NRCB30的MSE数据进行定量拟合,得出分子链中移动链的弛豫时间(T2m)含量(fm)以及刚性链的弛豫时间(T2r)及含量(fr),如表1所示,由于NMR技术捕获了材料中所有氢质子的信号,因此自始至终都可以捕捉到高分子网络的动态信息。

图2:(a)MSE序列原理图;(b)-(d)不同填料含量的天然橡胶在不同应力下的核磁弛豫信号:(b) NRCB0,(c) NRCB10, 和(d) NRCB30。

表1:NRCB30移动链和刚性链的弛豫时间及含量

在拉伸的初始阶段,T2m的弛豫时间基本保持不变或略有增加,然后几乎以线性方式下降。T2m的下降表明分子链的动态性越来越受限.对于刚性部分,拉伸起始阶段可以将刚性组分分配给与填料表面紧密结合的结合橡胶。随着持续的变形,会发生应力诱导结晶(SIC),从而引入额外的刚性组分。因此,在大变形区域的刚性组分至少由两部分组成:结合橡胶和结晶。在变形过程中,结合橡胶的部分可能会脱落,这可能会降低刚性部分,但应力诱导结晶会增加额外的刚性成分,所以刚性组分的弛豫时间和含量并不会呈现明显的规律变化,从测试数据也得到了验证。

该应用创新性的将低场核磁设备和拉伸装置结合,可以提供材料在原位拉升状态下的界面结构和动力学演化的信息突破性解决了材料在应力应变下无法原位表征其微观状态的难题

如您对以上应用感兴趣,欢迎咨询:15618820062 

Zhijie Xia, Yusong Wang, Ke Gong, Wei Chen; An in situ stretching instrument combined with low field nuclear magnetic resonance (NMR): Rheo-Spin NMR. Rev. Sci. Instrum. 1 March 2022; 93 (3): 033905.

电话客服

电话:400-060-3233

售后:400-060-3233

微信客服
公众号
TOP

返回顶部